本仿真实验平台是中心张铸博士在香港科技大学的科研转化成果,用于开关磁阻电机调速系统的综合性实验,内容包括开关磁阻电机电磁参数的仿真计算、机械特性的分析验证、电机仿真模型的建立以及调速系统的性能仿真。由于开关磁阻电机电磁关系的高度非线性特性,在电机运行过程中相电流、电感等参数会发生非线性变化,以固定参数代入方程进行求解的方法必然会导致很大的计算误差,而且由于开关磁阻电机的双凸极结构,其参数也很难由传统的参数计算方法来精确确定。有限元法是一种离散化数值计算方法,能够精确地对电机的性能进行仿真,对所做的设计进行快速、精确评价分析,有助于减少试验次数,降低产品开发成本,缩短开发周期,提高产品设计质量。本仿真实验平台采用Ansoft公司的Maxwell 2D模块以及Matlab/Simulink仿真软件,利用电磁场有限元方法对开关磁阻电机的瞬态性能进行精确分析,从而完成对开关磁阻电机的瞬态仿真研究,并对开关磁阻电机调速系统的控制方法进行仿真验证。该平台丰富了电力拖动和电机学方面的虚拟仿真实验教学资源。

磁场分布仿真计算结果

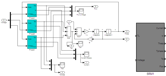
SRM电机仿真模型

SRM调速系统仿真模型
通过本平台,可让学生了解开关磁阻电机的Ansoft Maxwell的建模及有限元分析方法,掌握开关磁阻电机调速系统的工作原理,了解开关磁阻电机调速系统的结构,并能建立其仿真模型进行仿真实验验证,进一步熟悉Matlab/Simulink仿真环境及图形化建模方法。